Кронштейн для відкидних елементів, L250 (13235)
Опис
- Для дерев'яних дверей або дверей з дерев'яними рамами
- Може використовуватися з одного / обох боків стулки
- Можна встановлювати праворуч та ліворуч
- Петлі для відкидних елементів монтуються до нижньої частини стулки (замовляються окремо)
- Сталь нікельована
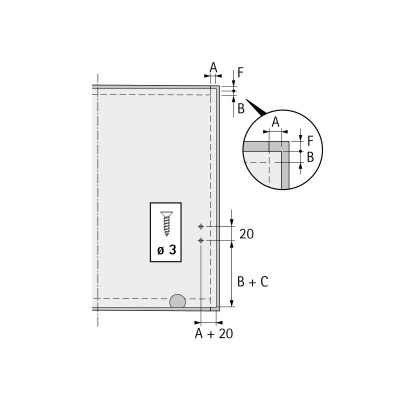
Інструкція з монтажу та технічна інформація
Характеристики
Відгуки



